近年來,隨著碳化硅技術的不斷成熟,行業對碳化硅功率器件的應用需求正日益趨向多樣化、集成化及輕量化。碳化硅功率器件具有極低的門極電荷與導通阻抗、極高的開關速率以及高耐溫等優良特性,使其能夠高頻率地運行。因而采用碳化硅功率器件,有助于整機端降低功率損耗、提高功率密度以及提升轉換效率等。

針對碳化硅功率器件的市場需求,青銅劍技術基于光耦隔離驅動方案,設計了一款雙通道、緊湊型驅動核2CD0205T12-ABC,可應用于空間有限、中低壓和高可靠性領域。
該款碳化硅MOSFET驅動核,因其緊湊、布局靈活與走線友好的特點,能簡化客戶的外圍電路設計,便于客戶快速迭代開發、生產、安裝及使用。
典型應用領域
儲能變流器
產品特點
雙通道碳化硅MOSFET驅動核
功率器件最高電壓支持1200V
單通道驅動功率2W,峰值電流±5A
適配TO-247封裝碳化硅單管
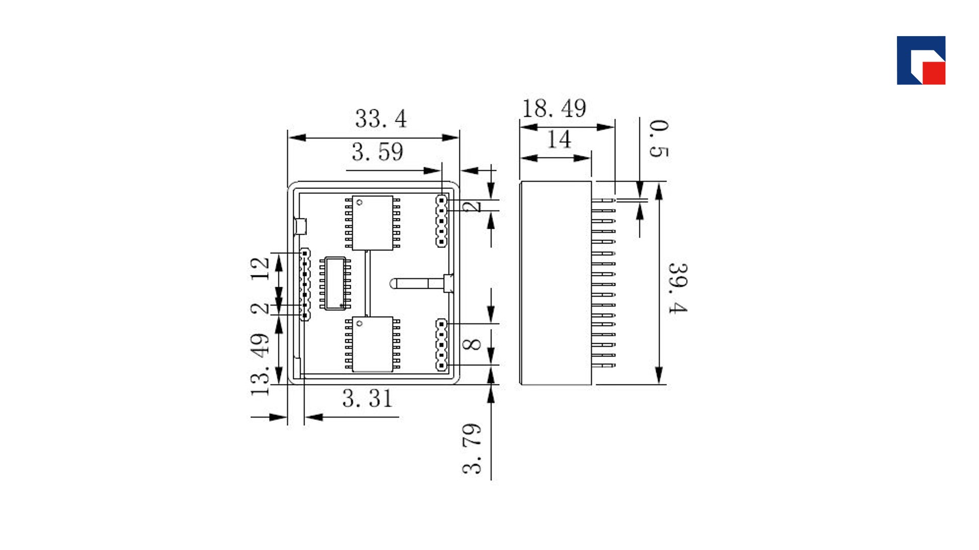
設計緊湊,尺寸為29mm*35mm*11mm(外殼:33.4mm*39.4mm*14mm)
2.0mm排針接口輸入/輸出
絕緣電壓高達5000V
集成隔離DC/DC電源
集成副邊電源欠壓保護
集成米勒鉗位
集成VDS短路保護
集成軟關斷
集成PWM互鎖功能
原理框圖

典型外圍接線圖

產品尺寸圖

關鍵參數

多種門極電壓配置型號

短路保護及軟關斷功能
本驅動核集成的軟關斷功能,可有效抑制碳化硅MOSFET在發生短路時產生的尖峰電壓。2CD0205T12-ABC驅動核內部集成VDSDT檢測和軟關斷功能,當檢測到模塊進入退保和時,驅動核輸出的門極信號在2us內的響應時間后,進入軟關斷階段,降低由于過高的短路電流所帶來的關斷尖峰電壓。

高壓短路波形

雙脈沖測試數據
該驅動核搭配測試底板2AB0205T12-QTJ,匹配B1M032120HC_BASIC單管碳化硅MOSFET測試數據。

青銅劍技術專注于功率器件驅動器、驅動IC、測試設備的研發、生產、銷售和服務,產品廣泛應用于新能源、電動汽車、智能電網、軌道交通、工業控制等領域。
如您對產品感興趣,歡迎垂詢:
電話:0755-86574839
郵箱:info@qtjtec.com
































