Typical Applications
| Medium voltage converter  | Motor drive  | Traction drive | 
 
                        
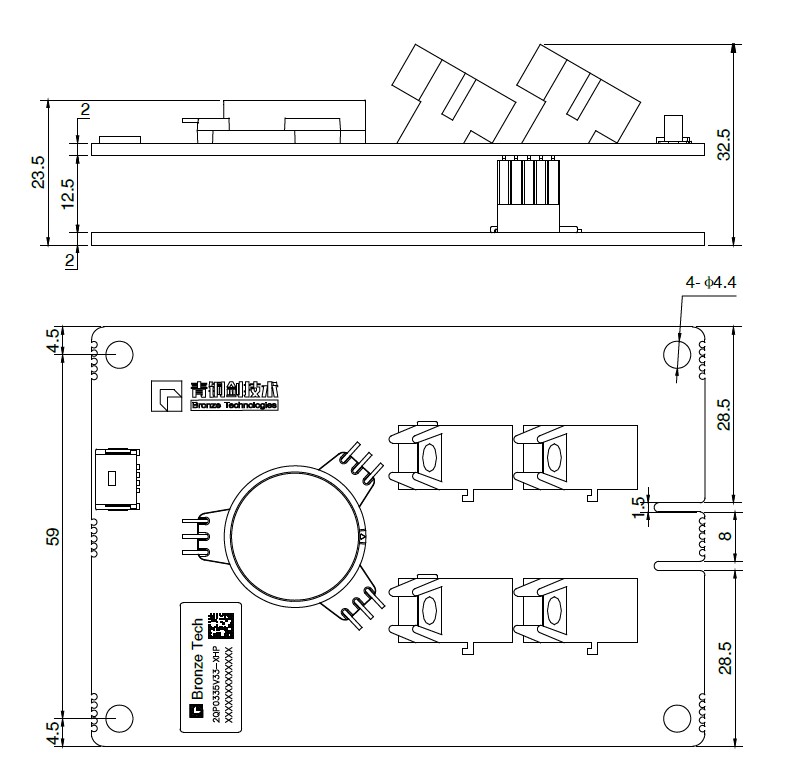
                       2QP0335V33-XHP is a compact dual-channel high-insulation driver for IGBT modules, designed for high-reliability high-power medium-voltage applications.
The 2QP0335V33-XHP is suitable for a variety of topology schemes built by 3300V XHP?3 packaged IGBT modules, which can be directly installed on the module without the need for transfer processing.
	
| Medium voltage converter  | Motor drive  | Traction drive | 
| 3300V XHP?3 package plug-and-play IGBT driver | Dual-channel IGBT gate driver | Compact design 68mm*99.5mm | 
| Wide supply voltage range 14V~30V | Fiber optic input/output | 8000Vac isolation voltage | 
| Secondary side undervoltage lockout | IGBT short-circuit protection integrated | Soft shut down integrated | 
| Maximum Voltage of Power Device | 3300V | Maximum Switching Frequency | 10kHz | 
| Turn-ON Voltage | 15V | Turn-OFF Voltage | -10V | 
| Driving Power | 3W | Gate Driving Current | ±35A | 
| Power Supply Voltage | 15V | Maximum Supply Current | -mA | 
| Operating Temperature | -40~+85℃ | Primary and Secondary Side Insulation Voltage | 8000Vac |